基尔霍夫定律
前言
(支路,节点,回路,网孔) 定义
支路:电路中流过同一电流(串联)且必须有至少一个元件的一段电路称为支路;支路数:符号 b 表示。
- bagf,bdf,bcef 均为支路 (两个节点间的所有路径);(b=3)
- bc,gf,fe 则不是支路,它们之间只是一条导线。
- 有源支路,无源支路。
- b=m+n-1(支路=网孔+节点-1)
节点:电路中3条或3条以上支路的公共连接点称为节点。节点数:符号 n 表示。
- b 点,f 点为节点(n=2)
回路:电路中任一闭合的路径称为回路。
- abfga,bcefb,acega 都是回路。
网孔:内部不含支路的回路称为网孔。网孔数:符号 m 表示。(网孔一定是回路,回路不一定是网孔)
- abfga,bcefb 为网孔(m=2)
练习
- 支路:ab,bc,cd,da,bd,ac(共6条)
- 节点:a,b,c,d(共4个)
- 回路:abda,bcdb,abcda,adca,abdca,cbdac,abca(共7个)
- 网孔:abda,cbdc,adca(共3个)
基尔霍夫电流定律(KCL)
-
对于任何节点,在任一瞬间,流入节点的电流等于由节点流出的电流。 即:∑I入=∑I出
-
在任一瞬间,一个节点上电流的代数和为0
-
即:∑I =0 设:流入的电流为正,流出节点为负
I1 + I3 =I2 + I4 或: I1 + I3 - I2 - I4 =0
例题⑴
求电路中的电流 I1 和 I2
解:
对节点A I1 = 3A + 10A + 5A ; I1 = 18A
对节点B 5A = I2 + 2A + 10A ; I2 = 5A - 2A - 10A = -7A
注意:应用 KCL 定律时必须首先假设电流的参考方向,若求出电流为负值,则说明该电流实际方向与假设的参考方向相反。
例题⑵
求电路中的电流 I1 和 I2
解:
I5 + I1 + I6 - I4 = 0;I1 = 5A
I2 + I3 - I6 = 0;I2 = 3A
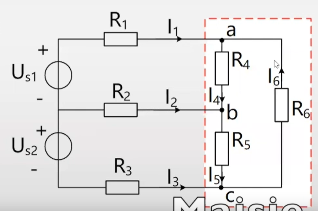
基尔霍夫电流定律的扩展
KCL 还可以扩展到包围电路任一部分的封闭面(广义节点)
- 对某一闭合面来说,电流的代数和也等于0
闭合面包围了 a,b,c 三个节点
节点 a:I1 + I6 - I4 = 0
节点 b:I2 + I4 - I5 = 0
节点 c:I3 + I5 - I6 = 0
以上三式相加:I1 + I2 + I3 = 0
例题⑶
I 等于多少?
很显然,I = 0(因为电流只有流入,没有流出,恒等于0)
基尔霍夫电压定律(KVL)
对电路中的任一回路,沿任意绕行方向的各段电压的代数和等于0.
即:∑U = 0 ∑U+ = ∑U-
- 选定回路的绕行方向
当元件的电压参考方向与绕行方向一致时,该电压取 “+”;元件的电压参考方向与绕行方向相反时,该电压取 “-”。
U1 - U2 - U3 + U4 = 0
或: U1 + U4 = U2 + U3
基尔霍夫电压定律的推广应用
对假想回路列 KVL:
Us - IR - U = 0 或:U = Us - IR
注意:电压源都标有方向,然后从正极开始绕行到负极,电阻的方向默认按电流方向来,先接触电流的地方是正极。
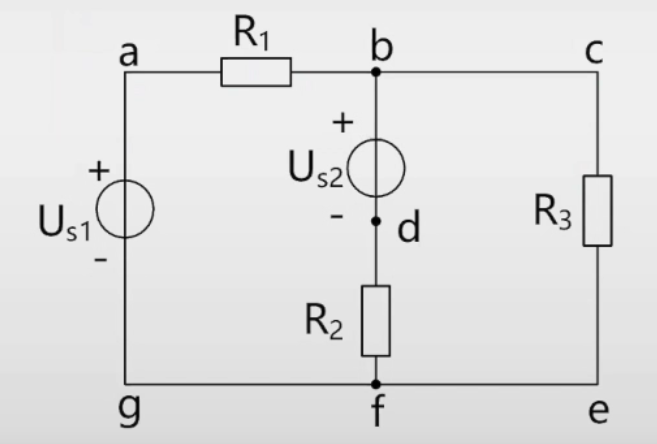
练习⑴
分析以下电路中有几个节点,几条支路,几条回路,可列几个电流方程?几个电压方程?
节点数:a点,b点(n = 2)
支路数:3条(b = 3)
回路数:3条
电流独立方程数:(n-1)个 即:节点 a :I1 + I2 = I3 节点 b:I3 = I1 + I2(其实这两个方程是一样的)
电压独立方程数:(b - n + 1)个
即:
# 1 I1R1 + I3R3 - E1 = 0 # 2 - I2R2 + E2 - I3R3 = 0 # 3 I1R1 - I2R2 + E2 -E1 = 0 (# 3 = # 1+# 2)
小结
设:电路中有 n 个节点,b 个支路
则:独立的节点电流方程有(n-1)个,
独立的回路 (网孔) 电压方程有(b-n+1)个









